Newsletter # 01

Animal and cellular models
Multiple Sclerosis (MS) is a chronic disease of the central nervous system, which predominantly affects young adults during their most productive years. Viral and autoimmune etiologies are postulated. Genetic and environmental factors are known to contribute to MS, but a specific cause for this disease has not been identified. Pathologically, MS is characterized by the presence of areas of demyelination and T-cell predominant perivascular inflammation in the brain white matter. Some axons may be spared from these pathological processes.
Early symptoms may include numbness and/or paresthesia, mono- or paraparesis, double vision, optic neuritis, ataxia, and bladder control problems.
Subsequent symptoms also include more prominent upper motor neuron signs (increased spasticity, increasing para- or quardriparesis). Vertigo, incoordination and other cerebellar problems, depression, emotional lability, abnormalities in gait, dysarthria, fatigue and pain are also commonly seen.
There is no curative treatment available for the MS. However, a number of medications can be used to treat the disease symptomatically (corticosteroids, Interferon-β).
In the future, medications aimed at reducing specific autoimmune responses, and, possibly, medications designed to assist in remyelination will help improve the quality of life of MS patients.
-
In vivo models:
-
Experimental autoimmune encephalomyelitis (EAE) in rat
EAE is a commonly used animal model that in several respects mimics human MS. EAE is induced in female Lewis rat by injected in the hind footpad with an emulsion of MBP (myelin basic protein) in complete Freund's adjuvant containing heat-inactivated mycobacterium tuberculosis (strain H 37 RA). A daily scoring is use to evaluate neurological disease progression.
-
-
-
The increasing score indicate a progressive illness of rat due to MBP intoxication. These graphs show effect of dexamethasone and INFbeta on disease progression.
-
Delayed type hypersensitivity (DTH) in rat
DTH is immune reaction carried only by the immune cells. The reaction is antigen specific and causes erythema, oedema and induration at the site of antigen injection in immunized animals or humans. Lewis rats are immunized with an emulsion of egg albumin in complete Freund’s adjuvant. Seven days later, rats are challenged by an injection of albumin in saline in the right pinna ear. Ear swelling was measured 24hr after albumin challenge.
-
The ear swelling induced by albumin is reduced by a dexamethasone treatment.
-
In vitro models:
As demyelinisation is a major hallmark of MS, promoting re-myelinisation appears to be a crucial therapeutic challenge. Remyelinisation process involves two principle steps: (i) recruitment of oligodendrocyte precursor cells (OPC) and (ii) OPC differentiation into mature myelinating oligodendroctes.
-
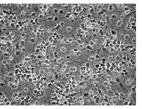
OPC proliferation study
OPC cultures are established from cortex of 5 day-old rat pups. Proliferation is assayed by an MTT test in 96-multi well plates.
-

Culture of proliferating OPC. -

PDGF (platelet-derived growth factor) increase OPC proliferation with a dose dependant manner
-
OPC differentiation
OPC will be placed under differentiation conditions and myelin production will be quantified.
-
We look forward to hearing from you.
Get in touch


