Newsletter # 48

Cellular models
-
BDNF / Insuline
BDNF at 10 ng/mL and Insulin at 10 µg/mL increase the surface of skeletal muscle innervated by an efficient rat spinal cord-human muscle coupling.
Possible endpoints:
- innervation rate
- innervation area
- muscle extracts -
Movies
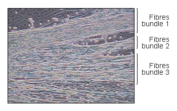
This picture represents 3 innervated muscle fibers bundles on muscle derived cells monolayer.
-
We would be more than happy to assist you in the design of your preclinical program.
Get in touch


PREVIOUS